ОВ-216 Модуль ввода-вывода цифровой
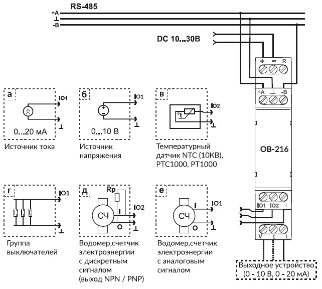
OB-216 обеспечивает управление нагрузкой по выходному аналоговому сигналу (0 – 10 В, 0 – 20 мА), в зависимости от получаемого входного сигнала с подключенного датчика.
Интерфейсы RS-485 либо USB обеспечивают управление подсоединенными приборами и считывание показаний датчиков по протоколу ModBus.
OB-216 может быть использован как:
− удаленный измеритель постоянного напряжения (0 – 10 В);
− удаленный измеритель постоянного тока (0 – 20 мА);
− удаленный измеритель температуры с возможностью подключения датчиков NTC (10KB), PTC 1000, PT 1000 или цифрового датчика температуры D18B20, DHT21, DHT22, AM2301;
− счетчик импульсов с сохранением результата в памяти;
− отслеживание состояния (замкнуто / разомкнуто) контакта на входе типа «сухой контакт».
Подробности
Интерфейсы RS-485 либо USB обеспечивают управление подсоединенными приборами и считывание показаний датчиков по протоколу ModBus.
OB-216 может быть использован как:
− удаленный измеритель постоянного напряжения (0 – 10 В);
− удаленный измеритель постоянного тока (0 – 20 мА);
− удаленный измеритель температуры с возможностью подключения датчиков NTC (10KB), PTC 1000, PT 1000 или цифрового датчика температуры D18B20, DHT21, DHT22, AM2301;
− счетчик импульсов с сохранением результата в памяти;
− отслеживание состояния (замкнуто / разомкнуто) контакта на входе типа «сухой контакт».
Характеристики
Для технической консультации обращайтесь к инженерам:
+7 (903) 401-19-71 Приводная техника
+7 (903) 401-98-76 КИП и Автоматика
+7 (903) 401-19-71 Приводная техника
+7 (903) 401-98-76 КИП и Автоматика
ОВ-216 Модуль ввода-вывода цифровой
#PROP_TITLE#
—
#PROP_VALUE#
OB-216 может быть использован как:
− удаленный измеритель постоянного напряжения (0 – 10 В);
− удаленный измеритель постоянного тока (0 – 20 мА);
− удаленный измеритель температуры с возможностью подключения датчиков NTC (10KB), PTC 1000, PT 1000 или цифрового датчика температуры D18B20, DHT21, DHT22, AM2301;
− счетчик импульсов с сохранением результата в памяти;
− отслеживание состояния (замкнуто / разомкнуто) контакта на входе типа «сухой контакт».
OB-216 обеспечивает:
− управление нагрузкой по выходному аналоговому сигналу (0 – 10 В, 0 – 20 мА), в зависимости от получаемого входного сигнала с подключенного датчика.
Интерфейсы RS-485 либо USB обеспечивают управление подсоединенными приборами и считывание показаний датчиков по протоколу ModBus.
Варианты использования:
− удаленный измеритель постоянного напряжения (0 – 10 В);
− удаленный измеритель постоянного тока (0 – 20 мА);
− удаленный измеритель температуры с возможностью подключения датчиков NTC (10KB), PTC 1000, PT 1000 или цифрового датчика температуры D18B20, DHT21, DHT22, AM2301;
− счетчик импульсов с сохранением результата в памяти;
− отслеживание состояния (замкнуто / разомкнуто) контакта на входе типа «сухой контакт».
OB-216 обеспечивает:
− управление нагрузкой по выходному аналоговому сигналу (0 – 10 В, 0 – 20 мА), в зависимости от получаемого входного сигнала с подключенного датчика.
Интерфейсы RS-485 либо USB обеспечивают управление подсоединенными приборами и считывание показаний датчиков по протоколу ModBus.
Варианты использования:
- Управление частотным преобразователем (4-20мА) по датчику температуры.
- Управление трехходовым вентилем (0-10В ) по датчику температуры.
- Преобразование сигнала 0-10 В в 4-20 мА и наоборот.
- Тип: Модуль ввода-вывода
- Протокол обмена: ModBus RTU / ASCII
- К-во подключаемых датчиков: 1
- Реле управления: Нет
- Выходной сигнал 0-10В: Да
- Выходной сигнал 4-20 мА: Да
- Управление по сигналу с датчика: Да
- Габаритные размеры, HхBхL: 90х65х18
- Масса, не более: 0,07 кг
- Гарантия: 10 лет
Чтобы приобрести понравившийся товар, необходимо его заказать. Есть несколько сценариев того, как это можно сделать:
Мы работаем с юридическими и физическими лицами по общей системе налогообложения. И предоставляем следующие варианты оплаты:
- Безналичный расчет на расчетный счет компании.
- Наличный расчет с НДС. Выписываются счет, УПД и выдается кассовый чек.
- Принимаем оплату банковской картой.
- Принимаем оплату через QR-код (СПБ).
Ваш заказ Вы можете забрать следующими вариантами:
- Самовывоз со склада компании расположенного в г. Ростов-на-Дону, ул. Магнитогорская, 1Г
с Понедельника по Пятницу с 9.00 до 17.00 без перерыва. - Транспортными компаниями
МЫ НА СВЯЗИ
ПН-ПТ: 9:00 – 17:00
МЕССЕНДЖЕРЫ
+7 (903) 401-19-71 Приводная техника
+7 (903) 401-98-76 КИП и Автоматика
E-mail

