Предназначены для измерения вакуумметрического и избыточного, а также разности вакуумметрических и избыточных давлений:
- газообразных агрессивных сред с содержанием сероводорода и сернистого ангидрида (исполнение «Астр»)
+7 (903) 401-19-71 Приводная техника
+7 (903) 401-98-76 КИП и Автоматика
Предназначены для измерения вакуумметрического и избыточного, а также разности вакуумметрических и избыточных давлений:
- воздуха и неагрессивных газов;
- газообразных агрессивных сред с содержанием сероводорода и сернистого ангидрида (исполнение «Астр»);
Общие сведения о тягомерах:
Тягомеры могут быть разными. Самым популярным является жидкостный тягомер с наклонной стеклянной трубкой, другое его название – тягомер Креля. Также, на заводе изготавливают U-образные тягомеры и мембранные тягомеры типа ТНМП и ТМП.
Жидкостный тягомер в основном используется для лабораторных и контрольных измерений, его можно заполнять разнообразными жидкостями – ртутью, водой, подкрашенным спиртом и т.д. Простейший тягомер состоит из стеклянной U-образной изогнутой трубки, а также шкалы с миллиметровыми делениями.
Жидкость заливается в нижнюю часть трубки, причем её уровень получается одинаковым в обоих коленах тягомера (закон сообщающихся сосудов). Тягомер с наклонной трубкой, кроме самой стеклянной наклонной трубки, имеет соединенный с ней чашечный резервуар, а также циферблат с миллиметровыми делениями.
Обязательно нужно устанавливать тягомеры и проводить измерения в таких местах, где температура окружающей среды не превышает 60 градусов Цельсия. Также, не рекомендуется использование жидкостных тягомеров и при отрицательных температурах. Приборы нужно устанавливать в удобных для обслуживания и достаточно освещенных местах. Это важно для большего срока эксплуатации.
Кроме тягонапоромеров и жидкостных тягомеров, изготавливаются еще и их мембранные разновидности. Эти приборы состоят из тонкостенной металлической коробки, которая связывается рычажной передачей со стрелкой, что двигается по шкале. При взаимодействии мембранной коробки и давления ниже или выше атмосферного, она прогибается, перемещая стрелку по шкале. Результаты исчисляются в миллиметрах водяного столба.
Очень важным моментом является поверка тягомеров, она происходит с помощью U-образного тягомера, если нужны показания выше 150 мм водяного столба, если ниже – используется жидкостный тягомер с наклонной трубкой. Поверка при помощи жидкостного тягомера должна производиться два раз в год.
Раз в год, прибор должен пройти государственную поверку и последующее клеймление. Поверку можно проводить как в лабораторных условиях, так и на месте установки прибора. Если были выявлены отклонения в показаниях рабочего тягомера от контрольного, то в них делается соответствующая поправка. У нас вы можете приобрести тягомеры, прошедшие все необходимые проверки.
Основные технические характеристики:
|
ТмМП-100-М1, ДТмМП-100-М1, ДТмМПКр-100 |
НМП-100-М1, ДНМП-100-М1, ДНМПКр-100 |
ТНМП-100-М1, ДТНМП-100-М1, ДТНМПКр-100 |
Класс точности |
|
кПа |
кПа |
кПа |
|
|
от –0,4 до 0 от –0,6 до 0 |
от 0 до +0,4 от 0 до +0,6 |
от –0,2 до +0,2 от –0,3 до +0,3 |
2,5 |
|
от –1 до 0 от –1,6 до 0 от –2,5 до 0 от –4 до 0 от –6 до 0 от –10 до 0 от –16 до 0 от –25 до 0 от –40 до 0 |
от 0 до +1 от 0 до +1,6 от 0 до +2,5 от 0 до +4 от 0 до +6 от 0 до +10 от 0 до +16 от 0 до +25 от 0 до +40 |
от –0,5 до +0,5 от –0,8 до +0,8 от –1,25 до +1,25 от –2 до +2 от –3 до +3 от –5 до +5 от –8 до +8 от –12,5 до +12,5 от –20 до +20 |
1,5; 2,5-1,5-2,5; 2,5 |
Предельно допускаемое рабочее вакуумметрическое или избыточное давление и разность давлений (для дифманометров) не должно превышать диапазона измерений.
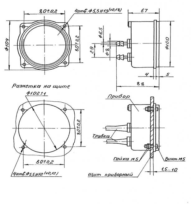
Габаритные и присоединительные размеры:
Габаритные и присоединительные размеры приборов исполнения "Астр".
Климатические исполнения:
У3 – для работы при температуре от - 50 до + 60°С и относительной влажности до 98% при 35°С.
Т3 - для работы при температуре от - 25 до + 55°С и относительной влажности до 98% при 35°С.
Степень защиты: IP53 по ГОСТ 14154-2015.
Интервал между поверками: 2 года.
Масса прибора: не более 0,8 кг.
Средний срок службы: не менее 10 лет.
Гарантийный срок хранения: 3 года с даты изготовления.
Гарантийный срок эксплуатации: 2 года (для исполнения "Астр" - 1 год) в пределах гарантийного срока хранения с даты ввода в эксплуатацию.
Оформление заказа:
При заказе необходимо указать:
1. Наименование
2. Условное обозначение
3. Предел измерений
4. Единицы измерения
5. Класс точности
6. Климатическое исполнение
7. Обозначение ТУ
Пример заказа:
Напоромер с верхним пределом измерений 10 кПа, класса точности 1,5, исполнения У3:
«Напоромер НМП-100-М1-10кПа-1,5-У3 ТУ 25-7305.016-90».
Тоже для исполнения «Астр».
«Напоромер НМП-100-М1-10кПа-1,5-У3 -Астр ТУ 25-7305.016-90».
Напоромер с верхним пределом измерений 10 кПа, класса точности 2,5, исполнения У3, экспорт, со шкалой покрытой люминофором.
"Напоромер НМП-100-М1-10кПа-2,5-У3-Э-Л ТУ 25-7305.016-90".
Чтобы приобрести понравившийся товар, необходимо его заказать. Есть несколько сценариев того, как это можно сделать:
Мы работаем с юридическими и физическими лицами по общей системе налогообложения. И предоставляем следующие варианты оплаты:
- Безналичный расчет на расчетный счет компании.
- Наличный расчет с НДС. Выписываются счет, УПД и выдается кассовый чек.
- Принимаем оплату банковской картой.
- Принимаем оплату через QR-код (СПБ).
Ваш заказ Вы можете забрать следующими вариантами:
- Самовывоз со склада компании расположенного в г. Ростов-на-Дону, ул. Магнитогорская, 1Г
с Понедельника по Пятницу с 9.00 до 17.00 без перерыва. - Транспортными компаниями
МЫ НА СВЯЗИ
ПН-ПТ: 9:00 – 17:00
МЕССЕНДЖЕРЫ
+7 (903) 401-19-71 Приводная техника
+7 (903) 401-98-76 КИП и Автоматика

