Рабочей средой прибора являются вода, масло, нейтральные газы, неагрессивные жидкости и обычный воздух.
Отличительные особенности
- Выходной сигнал (4-20)мА;
- Вариант прибора во взрывозащищенном исполнении;
- Межповерочный интервал 2 года;
- Рабочая среда: газ, воздух, жидкость.
+7 (903) 401-19-71 Приводная техника
+7 (903) 401-98-76 КИП и Автоматика
Рабочей средой прибора являются вода, масло, нейтральные газы, неагрессивные жидкости и обычный воздух.
Отличительные особенности
- Выходной сигнал (4-20)мА;
- Вариант прибора во взрывозащищенном исполнении;
- Межповерочный интервал 2 года;
- Рабочая среда: газ, воздух, жидкость;
Технические характеристики преобразователя давления ДДМ-03-Ex
|
Предельные значения выходного сигнала постоянного тока, мА |
4 – 20 |
|
Напряжение питания датчика, постоянный ток, В |
= 24±6 |
|
Нагрузочное сопротивление датчика должно быть в пределах |
от 1 до 500 |
|
Предел допускаемой основной погрешности датчика, выраженный в % от диапазона измерения выходного сигнала, не более |
±0,5 |
|
Дополнительная температурная погрешность на каждые 10°С изменения температуры в пределах рабочего диапазона %, не более |
±0,45 |
|
Потребляемая датчиком мощность, Вт не более |
0,6 |
|
Климатическое исполнение УХЛ для категории размещения 3.1 по ГОСТ 15150-69 |
|
|
ДДМ-03-ДИ (ДВ, ДИВ) |
от — 40°С до 80°С |
|
Температура рабочей среды |
от — 40°С до 85°С |
|
Степень защиты по ГОСТ 14254-80 |
IP65 |
|
Наработка на отказ, час |
80 000 |
Исполнения
|
№ п/п |
Тип |
Модель |
Предел измерений, кПа |
Перегрузка, кПа |
|
1 |
Датчик избыточного давления ДДМ-03-ДИ-Ех |
ДДМ-03-40 ДИ-Ех |
40 |
80 |
|
2 |
ДДМ-03-60 ДИ-ЕХ |
60 |
120 |
|
|
3 |
ДДМ-03-100 ДИ-Ех |
100 |
200 |
|
|
4 |
ДДМ-03-160 ДИ-Ех |
160 |
320 |
|
|
5 |
ДДМ-03-250 ДИ-Ех |
250 |
500 |
|
|
6 |
ДДМ-03-400 ДИ-Ех |
400 |
800 |
|
|
7 |
ДДМ-03-600 ДИ-Ех |
600 |
1200 |
|
|
8 |
ДДМ-03-1000 ДИ-Ех |
1000 |
2000 |
|
|
9 |
ДДМ-03-1600 ДИ-Ех |
1600 |
3200 |
|
|
10 |
ДДМ-03-2500 ДИ-Ех |
2500 |
5000 |
|
|
11 |
Датчик вакуума ДДМ-03-ДВ-Ех |
ДДМ-03-40 ДВ-Ех |
-40 |
-100 |
|
12 |
ДДМ-03-60 ДВ-Ех |
-60 |
-100 |
|
|
13 |
ДДМ-03-100 ДВ-Ех |
-100 |
-100 |
|
|
14 |
Датчик абсолютного давления ДДМ-03-ДА-Ех |
ДДМ-03-160 ДА-Ех |
0-160 |
320 |
|
15 |
ДДМ-03-250 ДА-Ех |
0-250 |
500 |
|
|
16 |
ДДМ-03-400 ДА-Ех |
0-400 |
800 |
|
|
17 |
ДДМ-03-600 ДА-Ех |
0-600 |
1200 |
Схема внешних подключений
Схема подключения датчика ДДМ-03-Ех на объекте с применением взрыво-защищенного источника питания
Схема подключения датчика ДДМ-03-Ех на объекте с применением барьера искрозащиты
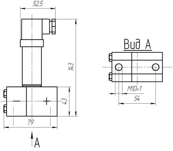
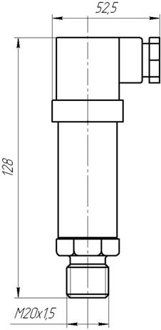
Габаритные и установочные размеры
Чтобы приобрести понравившийся товар, необходимо его заказать. Есть несколько сценариев того, как это можно сделать:
Мы работаем с юридическими и физическими лицами по общей системе налогообложения. И предоставляем следующие варианты оплаты:
- Безналичный расчет на расчетный счет компании.
- Наличный расчет с НДС. Выписываются счет, УПД и выдается кассовый чек.
- Принимаем оплату банковской картой.
- Принимаем оплату через QR-код (СПБ).
Ваш заказ Вы можете забрать следующими вариантами:
- Самовывоз со склада компании расположенного в г. Ростов-на-Дону, ул. Магнитогорская, 1Г
с Понедельника по Пятницу с 9.00 до 17.00 без перерыва. - Транспортными компаниями
МЫ НА СВЯЗИ
ПН-ПТ: 9:00 – 17:00
МЕССЕНДЖЕРЫ
+7 (903) 401-19-71 Приводная техника
+7 (903) 401-98-76 КИП и Автоматика

