Прибор для поддержания избыточного давления жидких или газообразных веществ в заданных пределах
- Рабочая среда: жидкие и газообразные среды, хладагенты
- Диапазон рабочего давления: 0,02...4,5 МПа
- Максимальное давление: 3,5 МПа (кроме модели 4,5/3,8 МПа)
- Реле: ~6 А, 240 В
- Присоединение: внутренняя G7/16" или наружная G¼"
- Степень пылевлагозащиты: IP65
+7 (903) 401-19-71 Приводная техника
+7 (903) 401-98-76 КИП и Автоматика
Реле давления ДР-Д-Ф предназначено для поддержания избыточного давления жидких или газообразных веществ в заданных пределах.
Особенности:
- Компактные размеры и малый вес позволяют осуществлять непосредственную установку регуляторов на оборудовании, находящемся под давлением, без использования крепежных элементов.
- Датчик давления с герметичным уплотнением (cтепень защиты IP65)
- Фиксированные уставки на включение и выключение
- Возможность использования с хладагентами, как на воздушной, так и на водной основе
- Одна контактная группа на замыкание или размыкание
- Кабель 1 м
- Модификации прибора с резьбой G¼" совместимы с капиллярной трубкой ТСТ-900-7/16 (требуется переходник ПТСТ-G1/4-7/16)
- Могут применяться для решения различных задач автоматизации в различных отраслях промышленности, в холодильных установках (для хладагентов), кондиционерах и т. д.
- Реле давления выпускаются с заводской настройкой давления, электрическим кабелем и штуцером и поставляются с заводской настройкой давления с фиксированным дифференциалом.
Технические характеристики:
|
Параметр |
Значение |
|
Рабочая среда |
Жидкие и газообразные среды, хладагенты |
|
Максимальное давление |
3,5 МПа (кроме модели 3,8/4,5 МПа) |
|
Реле |
~6 А, 240 В |
|
Присоединение |
Внутренняя G7/16" или наружная G¼" |
|
Температура эксплуатации |
−30...+80°С |
|
Степень защиты |
IP65 |
|
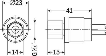
Габаритные размеры |
∅ 23×41 мм |
|
Длина кабеля |
1 м |
|
Вес |
60 г |
Модификации:
|
Давление вкл./выкл. |
Состояние при 0 МПа |
Описание |
|
0,02/0,15 МПа |
НЗ |
Замыкается (вкл.) на 0,02 МПа, размыкается (выкл.) на 0,15 МПа |
|
0,15/0,02 МПа |
НО |
Замыкается (вкл.) на 0,15 МПа, размыкается (выкл.) на 0,02 МПа |
|
0,4/0,2 МПа |
НО |
Замыкается (вкл.) на 0,4 МПа, размыкается (выкл.) на 0,2 МПа |
|
0,6/0,4 МПа |
НО |
Замыкается (вкл.) на 0,6 МПа, размыкается (выкл.) на 0,4 МПа |
|
0,8/0,6 МПа |
НО |
Замыкается (вкл.) на 0,8 МПа, размыкается (выкл.) на 0,6 МПа |
|
1,6/1,2 МПа |
НО |
Замыкается (вкл.) на 1,6 МПа, размыкается (выкл.) на 1,2 МПа |
|
2/2,5 МПа |
НЗ |
Замыкается (вкл.) на 2 МПа, размыкается (выкл.) на 2,5 МПа |
|
2,5/2 МПа |
НО |
Замыкается (вкл.) на 2,5 МПа, размыкается (выкл.) на 2 МПа |
|
4,5/3,8 МПа |
НО |
Замыкается (вкл.) на 4,5 МПа, размыкается (выкл.) на 3,8 МПа |
Габаритные размеры:
ДР-Д-Ф с наружной резьбой
ДР-Д-Ф с внутренней резьбой
Чтобы приобрести понравившийся товар, необходимо его заказать. Есть несколько сценариев того, как это можно сделать:
Мы работаем с юридическими и физическими лицами по общей системе налогообложения. И предоставляем следующие варианты оплаты:
- Безналичный расчет на расчетный счет компании.
- Наличный расчет с НДС. Выписываются счет, УПД и выдается кассовый чек.
- Принимаем оплату банковской картой.
- Принимаем оплату через QR-код (СПБ).
Ваш заказ Вы можете забрать следующими вариантами:
- Самовывоз со склада компании расположенного в г. Ростов-на-Дону, ул. Магнитогорская, 1Г
с Понедельника по Пятницу с 9.00 до 17.00 без перерыва. - Транспортными компаниями
МЫ НА СВЯЗИ
ПН-ПТ: 9:00 – 17:00
МЕССЕНДЖЕРЫ
+7 (903) 401-19-71 Приводная техника
+7 (903) 401-98-76 КИП и Автоматика

