Прибор для сигнализации о достижении перепадом давления воздуха заданного значения
- Рабочая среда: воздух
- Диапазон регулируемого давления: 0,02…4 кПа
- Максимальное давление: 10 кПа
- Дифференциал: 0,01...0,25
- Реле: ~1 А, 250 В
- Кабельное присоединение: PG-11
- Присоединение труб: 2 трубки ∅ 6 мм
- Степень пылевлагозащиты: IP54
+7 (903) 401-19-71 Приводная техника
+7 (903) 401-98-76 КИП и Автоматика

Реле ДР-ДД-Т предназначено для сигнализации о достижении перепадом давления воздуха заданного значения.
Представляет собой механическое реле перепада давления (прессостат) с поворотным указателем для ручной настройки порога срабатывания. Прибор выполнен в пластиковом корпусе со штуцерами диаметром 6 мм. В комплект входит гибкая трубка длиной 1,2 м, пластиковые соединители для воздуховодов и установочные винты.
Реле предназначено для работы в вентиляционных системах: контроля засорения фильтра, контроля работы вентилятора, контроля направления потока в коробе.
Особенности:
- Может применяться для сигнализации об аварийно низком или высоком перепаде давления в системе
- Может применяться для контроля засоренности воздушных фильтров
- Может применяться для контроля работоспособности вентиляторов
- Настройка перепада давления
- Высокий ресурс реле: 106 срабатываний
- Гибкая трубка длиной 1,2 м и пластиковые соединители для воздуховодов в комплекте
Технические характеристики:
|
Параметр |
Значение |
|
Рабочая среда |
Воздух |
|
Температура рабочей среды |
−20...+85°C |
|
Реле |
~1 А, 250 В |
|
Кабельное присоединение |
PG-11 |
|
Присоединение воздуховодов |
2 трубки ∅ 6 мм |
|
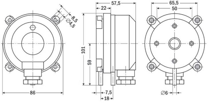
Габаритные размеры |
101×86×57,5 мм |
|
Вес |
150 г |
Модификации:
|
Модель |
Диапазон, кПа |
Дифференциал, кПа |
Pmax, кПа |
|
ДР-ДД-Т-80 |
0,02...0,2 |
0,01 |
10 |
|
ДР-ДД-Т-82 |
0,03...0,3 |
0,01 |
|
|
ДР-ДД-Т-83 |
0,05...0,5 |
0,02 |
|
|
ДР-ДД-Т-85 |
0,2...1,0 |
0,1 |
|
|
ДР-ДД-Т-86 |
0,5...2,5 |
0,15 |
|
|
ДР-ДД-Т-87 |
1,0...4,0 |
0,25 |
Габаритные размеры:
Схема подключения:
Чтобы приобрести понравившийся товар, необходимо его заказать. Есть несколько сценариев того, как это можно сделать:
Мы работаем с юридическими и физическими лицами по общей системе налогообложения. И предоставляем следующие варианты оплаты:
- Безналичный расчет на расчетный счет компании.
- Наличный расчет с НДС. Выписываются счет, УПД и выдается кассовый чек.
- Принимаем оплату банковской картой.
- Принимаем оплату через QR-код (СПБ).
Ваш заказ Вы можете забрать следующими вариантами:
- Самовывоз со склада компании расположенного в г. Ростов-на-Дону, ул. Магнитогорская, 1Г
с Понедельника по Пятницу с 9.00 до 17.00 без перерыва. - Транспортными компаниями
МЫ НА СВЯЗИ
ПН-ПТ: 9:00 – 17:00
МЕССЕНДЖЕРЫ
+7 (903) 401-19-71 Приводная техника
+7 (903) 401-98-76 КИП и Автоматика

