Городские энергосети далеко не всегда поставляют качественный энергоресурс. Из-за этого часто случаются обрывы линий и резкие скачки. Задача переключателя фаз ПЭФ 301 – обеспечение бесперебойной работы электроприборов за счет резервного энергоснабжения.
+7 (903) 401-19-71 Приводная техника
+7 (903) 401-98-76 КИП и Автоматика
Виды переключателей фаз
Существуют два вида переключателей фаз:
- Ручные. Представляют собой кулачковый коммутатор с минимальным количеством регулировок. Процесс переключения потребителя с одной фазы на другую происходит в ручном режиме. Ручные переключатели фаз имеют простую конструкцию. При этом, они не могут работать без участия человека. Специфика работы механического прибора зависит от количеств фаз и напряжения в них.
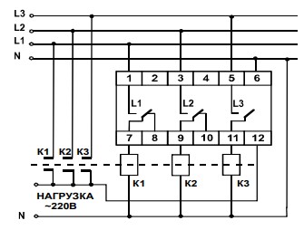
- Автоматические. Устройства, оснащенные микропроцессором, который произвольно выбирает фазу. В тот момент, когда действующая сеть не справляется с нагрузкой, а параметры электросети выходят за допустимые пределы, срабатывает реле напряжения ПЭФ 301. ПЭФ 301 контролирует верхние и нижние пороговые значения. Важно правильно установить эти параметры, не завысив и не занизив их. Завышенные параметры приведут к перегреву, а заниженные повлекут за собой постоянные срабатывания устройства.
Область использования
Автоматический переключатель фаз ПЭФ 301 применяется в работе с различными потребителями электроэнергии, в т.ч.
- Медицинская техника и аппараты жизнеобеспечения.
- Холодильное оборудование.
- Вентиляция и системы кондиционирования.
- Системы видеонаблюдения, аппаратура, записывающая сигналы.
- Автоматизация бытовых и газовых котлов.
После сбоя и проверки основного источника питания реле выбора фаз ПЭФ 301 возвращается к предыдущим параметрам.
Диапазон срабатывания реле ПЭФ 301 устанавливается специалистом.
Условия эксплуатации
Устройство предназначено для эксплуатации в следующих условиях:
- температура окружающей среды от минус 35 до +55 ºС;
- атмосферное давление от 84 до 106,7 кПа;
- относительная влажность воздуха (при температуре +25 ºС) 30 ... 80%.
ВНИМАНИЕ! Устройство не предназначено для эксплуатации в условиях:
- значительной вибрации и ударов;
- высокой влажности;
- агрессивной среды с содержанием в воздухе кислот, щелочей, и т. п., а также сильных загрязнений (жир, масло, пыль и пр.).
Чтобы приобрести понравившийся товар, необходимо его заказать. Есть несколько сценариев того, как это можно сделать:
Мы работаем с юридическими и физическими лицами по общей системе налогообложения. И предоставляем следующие варианты оплаты:
- Безналичный расчет на расчетный счет компании.
- Наличный расчет с НДС. Выписываются счет, УПД и выдается кассовый чек.
- Принимаем оплату банковской картой.
- Принимаем оплату через QR-код (СПБ).
Ваш заказ Вы можете забрать следующими вариантами:
- Самовывоз со склада компании расположенного в г. Ростов-на-Дону, ул. Магнитогорская, 1Г
с Понедельника по Пятницу с 9.00 до 17.00 без перерыва. - Транспортными компаниями
МЫ НА СВЯЗИ
ПН-ПТ: 9:00 – 17:00
МЕССЕНДЖЕРЫ
+7 (903) 401-19-71 Приводная техника
+7 (903) 401-98-76 КИП и Автоматика

