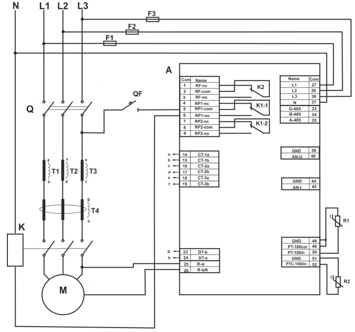
УБЗ-305М Универсальный блок защиты
УБЗ предназначен для защиты асинхронных электродвигателей мощностью от 2,5 до 315 кВт при использовании внешних стандартных токовых трансформаторов с выходным током 5 А.
УБЗ может работать в сетях как с изолированной, так и глухозаземленной нейтралью.
Исполнение прибора – DIN-рейка.
Подробности
УБЗ может работать в сетях как с изолированной, так и глухозаземленной нейтралью.
Исполнение прибора – DIN-рейка.
Характеристики
Для технической консультации обращайтесь к инженерам:
+7 (903) 401-19-71 Приводная техника
+7 (903) 401-98-76 КИП и Автоматика
+7 (903) 401-19-71 Приводная техника
+7 (903) 401-98-76 КИП и Автоматика
УБЗ-305М Универсальный блок защиты
#PROP_TITLE#
—
#PROP_VALUE#
УБЗ предназначен для защиты асинхронных электродвигателей мощностью от 2,5 до 315 кВт при использовании внешних стандартных токовых трансформаторов с выходным током 5 А. УБЗ может работать в сетях как с изолированной, так и глухозаземленной нейтралью.
Исполнение прибора – DIN-рейка.
УБЗ обеспечивает постоянный контроль параметров сетевого напряжения, действующих значений фазных (линейных) токов трехфазного электрооборудования 380 В 50 Гц и проверку значения сопротивления изоляции электродвигателей.
УБЗ обеспечивает защиту электродвигателей при:
- некачественном сетевом напряжении (недопустимые скачки напряжения, обрыв фаз, нарушение чередования и слипание фаз, перекос фазных/линейных напряжений, снижение частоты сети ниже заданной и (или) повышение частоты сети выше заданной);
- механических перегрузках (симметричный перегруз по фазным/линейным токам);
- превышении порога током обратной последовательности;
- несимметрии фазных токов без перегруза, связанной с нарушением изоляции внутри двигателя и/или подводящего кабеля (сравнение коэффициента несимметрии тока по обратной последовательности с коэффициентом несимметрии напряжения по обратной последовательности);
- исчезновении момента на валу электродвигателя («сухой ход» - для насосов) – защита по минимальному пусковому и/или рабочему току;
- затянутом пуске двигателя или блокировке ротора;
- недопустимо низком уровне изоляции между статором и корпусом двигателя (проверка перед включением);
- замыкании на «землю» обмотки статора во время работы – защита по токам утечки на «землю»;
- тепловой перегрузке двигателя; - перегреве обмоток (определяется температура обмоток при использовании встроенных в двигатель температурных датчиков или температура корпуса при использовании внешних температурных датчиков).
Исполнение прибора – DIN-рейка.
УБЗ обеспечивает постоянный контроль параметров сетевого напряжения, действующих значений фазных (линейных) токов трехфазного электрооборудования 380 В 50 Гц и проверку значения сопротивления изоляции электродвигателей.
УБЗ обеспечивает защиту электродвигателей при:
- некачественном сетевом напряжении (недопустимые скачки напряжения, обрыв фаз, нарушение чередования и слипание фаз, перекос фазных/линейных напряжений, снижение частоты сети ниже заданной и (или) повышение частоты сети выше заданной);
- механических перегрузках (симметричный перегруз по фазным/линейным токам);
- превышении порога током обратной последовательности;
- несимметрии фазных токов без перегруза, связанной с нарушением изоляции внутри двигателя и/или подводящего кабеля (сравнение коэффициента несимметрии тока по обратной последовательности с коэффициентом несимметрии напряжения по обратной последовательности);
- исчезновении момента на валу электродвигателя («сухой ход» - для насосов) – защита по минимальному пусковому и/или рабочему току;
- затянутом пуске двигателя или блокировке ротора;
- недопустимо низком уровне изоляции между статором и корпусом двигателя (проверка перед включением);
- замыкании на «землю» обмотки статора во время работы – защита по токам утечки на «землю»;
- тепловой перегрузке двигателя; - перегреве обмоток (определяется температура обмоток при использовании встроенных в двигатель температурных датчиков или температура корпуса при использовании внешних температурных датчиков).
Чтобы приобрести понравившийся товар, необходимо его заказать. Есть несколько сценариев того, как это можно сделать:
Мы работаем с юридическими и физическими лицами по общей системе налогообложения. И предоставляем следующие варианты оплаты:
- Безналичный расчет на расчетный счет компании.
- Наличный расчет с НДС. Выписываются счет, УПД и выдается кассовый чек.
- Принимаем оплату банковской картой.
- Принимаем оплату через QR-код (СПБ).
Ваш заказ Вы можете забрать следующими вариантами:
- Самовывоз со склада компании расположенного в г. Ростов-на-Дону, ул. Магнитогорская, 1Г
с Понедельника по Пятницу с 9.00 до 17.00 без перерыва. - Транспортными компаниями
МЫ НА СВЯЗИ
ПН-ПТ: 9:00 – 17:00
МЕССЕНДЖЕРЫ
+7 (903) 401-19-71 Приводная техника
+7 (903) 401-98-76 КИП и Автоматика
E-mail

