Универсальный блок защиты УБЗ-301 5-50А
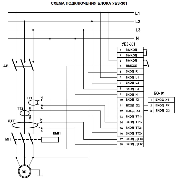
Универсальный блок защиты электродвигателей УБЗ-301 предназначен для постоянного контроля параметров сетевого напряжения и действующих значений фазных/линейных токов трехфазного электрооборудования 380 В/50 Гц, в первую очередь, асинхронных электродвигателей (ЭД), мощностью от 2,5 кВт до 315 кВт, в том числе и в сетях с изолированной нейтралью.
Подробности
Характеристики
Для технической консультации обращайтесь к инженерам:
+7 (903) 401-19-71 Приводная техника
+7 (903) 401-98-76 КИП и Автоматика
+7 (903) 401-19-71 Приводная техника
+7 (903) 401-98-76 КИП и Автоматика
Универсальный блок защиты УБЗ-301 5-50А
#PROP_TITLE#
—
#PROP_VALUE#
Универсальный блок защиты электродвигателей УБЗ-301 предназначен для постоянного контроля параметров сетевого напряжения и действующих значений фазных/линейных токов трехфазного электрооборудования 380 В/50 Гц, в первую очередь, асинхронных электродвигателей (ЭД), мощностью от 2,5 кВт до 315 кВт, в том числе и в сетях с изолированной нейтралью.
Выпускаются три модификации прибора по номиналам тока:
Блок обеспечивает защиту электрооборудования путем управления катушкой магнитного пускателя (контактора).
Выполняет следующие функции:
- простую и точную установку номинального тока ЭД, используя стандартную шкалу номинальных токов;
- установку рабочего тока ЭД, отличного от стандартных значений с учетом длительно допустимой перегрузки;
- срабатывание по перегрузу с зависимой выдержкой времени.
Токо-временная характеристика построена для условно холодного двигателя.
В процессе работы решается дифференциальное уравнение теплового баланса ЭД.
Такой подход позволяет учитывать предыдущее состояние ЭД и наиболее достоверно принимать решение о наличии тепловой перегрузки.
Этот метод позволяет также учесть нагрев ЭД при пусках и ограничить (по желанию заказчика) их число в единицу времени;
- возможность сдвигать токо-временную характеристику как по оси токов (пот. № 1,2), так и по оси времени (пот. № 3 — время срабатывания при 2-х кратном перегрузе);
- выставление порогов срабатывания по минимальному/максимальному напряжению, перекосу линейных напряжений и фазных токов, а также времени автоматического повторного включения по усмотрению заказчика самостоятельно;
- индикацию вида аварии, наличия сетевого напряжения, токового диапазона, на который настроен блок и включения нагрузки;
- через блок обмена БО-01 позволяет осуществлять обмен и передачу информации по протоколу RS-485 (БО-01 поставляется под заказ).
Выпускаются три модификации прибора по номиналам тока:
- УБЗ-301 5-50A;
- УБЗ-301 10-100A;
- УБЗ-301 63-630A.
Блок обеспечивает защиту электрооборудования путем управления катушкой магнитного пускателя (контактора).
Выполняет следующие функции:
- простую и точную установку номинального тока ЭД, используя стандартную шкалу номинальных токов;
- установку рабочего тока ЭД, отличного от стандартных значений с учетом длительно допустимой перегрузки;
- срабатывание по перегрузу с зависимой выдержкой времени.
Токо-временная характеристика построена для условно холодного двигателя.
В процессе работы решается дифференциальное уравнение теплового баланса ЭД.
Такой подход позволяет учитывать предыдущее состояние ЭД и наиболее достоверно принимать решение о наличии тепловой перегрузки.
Этот метод позволяет также учесть нагрев ЭД при пусках и ограничить (по желанию заказчика) их число в единицу времени;
- возможность сдвигать токо-временную характеристику как по оси токов (пот. № 1,2), так и по оси времени (пот. № 3 — время срабатывания при 2-х кратном перегрузе);
- выставление порогов срабатывания по минимальному/максимальному напряжению, перекосу линейных напряжений и фазных токов, а также времени автоматического повторного включения по усмотрению заказчика самостоятельно;
- индикацию вида аварии, наличия сетевого напряжения, токового диапазона, на который настроен блок и включения нагрузки;
- через блок обмена БО-01 позволяет осуществлять обмен и передачу информации по протоколу RS-485 (БО-01 поставляется под заказ).
Чтобы приобрести понравившийся товар, необходимо его заказать. Есть несколько сценариев того, как это можно сделать:
Мы работаем с юридическими и физическими лицами по общей системе налогообложения. И предоставляем следующие варианты оплаты:
- Безналичный расчет на расчетный счет компании.
- Наличный расчет с НДС. Выписываются счет, УПД и выдается кассовый чек.
- Принимаем оплату банковской картой.
- Принимаем оплату через QR-код (СПБ).
Ваш заказ Вы можете забрать следующими вариантами:
- Самовывоз со склада компании расположенного в г. Ростов-на-Дону, ул. Магнитогорская, 1Г
с Понедельника по Пятницу с 9.00 до 17.00 без перерыва. - Транспортными компаниями
МЫ НА СВЯЗИ
ПН-ПТ: 9:00 – 17:00
МЕССЕНДЖЕРЫ
+7 (903) 401-19-71 Приводная техника
+7 (903) 401-98-76 КИП и Автоматика
E-mail

