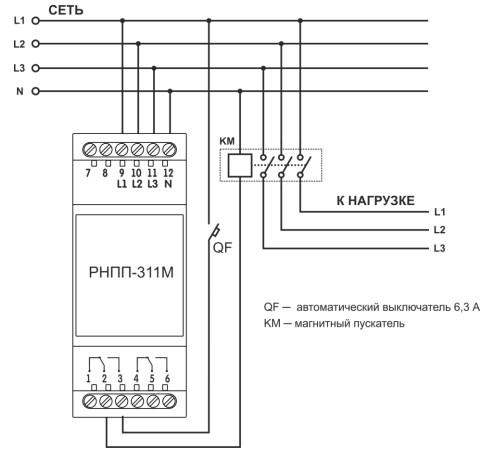
РНПП-311М Трехфазное реле напряжения и контроля фаз
Характеристики:
Подробности
- Индикация: светодиоды
- Контроль обрыва фаз: Да
- Контроль чередования фаз: Да
- Контроль асимметрии фаз: Да
- Ток коммутации реле: 5А
- Отключение защит: Да
- Сечение подключаемого кабеля: 0,5-1,5 мм²
- Точность определения порога срабатывания по напряжению: 3 В
- Габаритные размеры, HхBхL: 90,2х64,5х36
- Масса, не более: 0,1 кг
Характеристики
Для технической консультации обращайтесь к инженерам:
+7 (903) 401-19-71 Приводная техника
+7 (903) 401-98-76 КИП и Автоматика
+7 (903) 401-19-71 Приводная техника
+7 (903) 401-98-76 КИП и Автоматика
РНПП-311М Трехфазное реле напряжения и контроля фаз
#PROP_TITLE#
—
#PROP_VALUE#
Реле напряжения РНПП-311М предназначено для защиты трехфазных потребителей от основных видов аварии в электрической сети, таких как:
- выход действующего значения напряжения за пределы допустимых порогов;
- нарушения последовательности и слипание фаз;
- нарушения полнофазности и симметричности сетевого напряжения.
Устройство контролирует основные параметры электрической сети и при их отклонении отключает нагрузку.
Светодиоды на лицевой панели реле индицируют:
- наличие напряжения в сети;
- состояние нагрузки (включена или отключена);
- вид возникшей аварии.
Регулировочные потенциометры позволяют пользователю установить:
- порог минимально/максимально допустимого значения напряжения (в процентах от номинального напряжения);
- задержку времени включения нагрузки после восстановления параметров сети;
- время срабатывания отключения нагрузки при всех видах аварий сетевого напряжения.
С помощью переключателей на лицевой панели устройства пользователь может выбрать тип контролируемой сети 400 / 415 В, а также включить или отключить контроль следующих параметров сети:
- последовательности и слипания фаз;
- полнофазности и симметричности сетевого напряжения;
- понижения напряжения;
- повышения напряжения.
Соответствующие комбинации положения переключателей позволяют РНПП-311М работать в различных режимах:
- режим полного контроля напряжения сети; - режим контроля минимального/максимального напряжения;
- режим контроля минимального напряжения;
- режим контроля максимального напряжения;
- режим контроля наличия фаз;
- режим контроля неправильной последовательности и наличия слипания фаз;
- режим контроля перекоса фаз.
Контроль наличия фаз сохраняется при любом положении переключателей в том числе, когда они находятся в положении ВЫКЛ.
Предусмотрена возможность подключения оперативного питания 24 В (под заказ).
- выход действующего значения напряжения за пределы допустимых порогов;
- нарушения последовательности и слипание фаз;
- нарушения полнофазности и симметричности сетевого напряжения.
Устройство контролирует основные параметры электрической сети и при их отклонении отключает нагрузку.
Светодиоды на лицевой панели реле индицируют:
- наличие напряжения в сети;
- состояние нагрузки (включена или отключена);
- вид возникшей аварии.
Регулировочные потенциометры позволяют пользователю установить:
- порог минимально/максимально допустимого значения напряжения (в процентах от номинального напряжения);
- задержку времени включения нагрузки после восстановления параметров сети;
- время срабатывания отключения нагрузки при всех видах аварий сетевого напряжения.
С помощью переключателей на лицевой панели устройства пользователь может выбрать тип контролируемой сети 400 / 415 В, а также включить или отключить контроль следующих параметров сети:
- последовательности и слипания фаз;
- полнофазности и симметричности сетевого напряжения;
- понижения напряжения;
- повышения напряжения.
Соответствующие комбинации положения переключателей позволяют РНПП-311М работать в различных режимах:
- режим полного контроля напряжения сети; - режим контроля минимального/максимального напряжения;
- режим контроля минимального напряжения;
- режим контроля максимального напряжения;
- режим контроля наличия фаз;
- режим контроля неправильной последовательности и наличия слипания фаз;
- режим контроля перекоса фаз.
Контроль наличия фаз сохраняется при любом положении переключателей в том числе, когда они находятся в положении ВЫКЛ.
Предусмотрена возможность подключения оперативного питания 24 В (под заказ).
Чтобы приобрести понравившийся товар, необходимо его заказать. Есть несколько сценариев того, как это можно сделать:
Мы работаем с юридическими и физическими лицами по общей системе налогообложения. И предоставляем следующие варианты оплаты:
- Безналичный расчет на расчетный счет компании.
- Наличный расчет с НДС. Выписываются счет, УПД и выдается кассовый чек.
- Принимаем оплату банковской картой.
- Принимаем оплату через QR-код (СПБ).
Ваш заказ Вы можете забрать следующими вариантами:
- Самовывоз со склада компании расположенного в г. Ростов-на-Дону, ул. Магнитогорская, 1Г
с Понедельника по Пятницу с 9.00 до 17.00 без перерыва. - Транспортными компаниями
МЫ НА СВЯЗИ
ПН-ПТ: 9:00 – 17:00
МЕССЕНДЖЕРЫ
+7 (903) 401-19-71 Приводная техника
+7 (903) 401-98-76 КИП и Автоматика
E-mail

