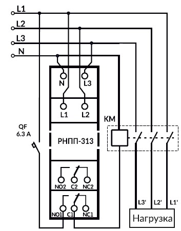
РНПП-313 Реле напряжения, перекоса и последовательности фаз
Характеристики:
Подробности
- Индикация: светодиоды
- Контроль обрыва фаз: Да
- Контроль чередования фаз: Да
- Контроль асимметрии фаз: Да
- Ток коммутации реле: 5 А
- Сечение подключаемого кабеля: 0,5-1,5 мм²
- Габаритные размеры, HхBхL: 90х65х18
- Масса, не более: 0,1 кг
- Гарантия: 10 лет
Характеристики
Для технической консультации обращайтесь к инженерам:
+7 (903) 401-19-71 Приводная техника
+7 (903) 401-98-76 КИП и Автоматика
+7 (903) 401-19-71 Приводная техника
+7 (903) 401-98-76 КИП и Автоматика
РНПП-313 Реле напряжения, перекоса и последовательности фаз
#PROP_TITLE#
—
#PROP_VALUE#
Реле напряжения, перекоса и последовательности фаз РНПП-313 предназначено для отключения нагрузки 400 В 50 Гц при:
- Недопустимых колебаниях напряжения в сети с продолжительностью не менее 0,02 с;
- Нарушении амплитудной симметрии сетевого напряжения (перекосе фаз);
- Обрыве, нарушении последовательности и слипании фаз
- Обрыве нуля
РАБОТА ИЗДЕЛИЯ
РНПП-313 постоянно контролирует значения напряжений в трехфазной сети, сопоставляя их с заводскими уставками.
Изделие отключит нагрузку, если значение напряжения выйдет за пределы.
РНПП-313 имеет одну регулируемую уставку времени задержки срабатывания защиты по перекосу фаз
- Недопустимых колебаниях напряжения в сети с продолжительностью не менее 0,02 с;
- Нарушении амплитудной симметрии сетевого напряжения (перекосе фаз);
- Обрыве, нарушении последовательности и слипании фаз
- Обрыве нуля
РАБОТА ИЗДЕЛИЯ
РНПП-313 постоянно контролирует значения напряжений в трехфазной сети, сопоставляя их с заводскими уставками.
Изделие отключит нагрузку, если значение напряжения выйдет за пределы.
РНПП-313 имеет одну регулируемую уставку времени задержки срабатывания защиты по перекосу фаз
Чтобы приобрести понравившийся товар, необходимо его заказать. Есть несколько сценариев того, как это можно сделать:
Мы работаем с юридическими и физическими лицами по общей системе налогообложения. И предоставляем следующие варианты оплаты:
- Безналичный расчет на расчетный счет компании.
- Наличный расчет с НДС. Выписываются счет, УПД и выдается кассовый чек.
- Принимаем оплату банковской картой.
- Принимаем оплату через QR-код (СПБ).
Ваш заказ Вы можете забрать следующими вариантами:
- Самовывоз со склада компании расположенного в г. Ростов-на-Дону, ул. Магнитогорская, 1Г
с Понедельника по Пятницу с 9.00 до 17.00 без перерыва. - Транспортными компаниями
МЫ НА СВЯЗИ
ПН-ПТ: 9:00 – 17:00
МЕССЕНДЖЕРЫ
+7 (903) 401-19-71 Приводная техника
+7 (903) 401-98-76 КИП и Автоматика
E-mail

