Индикация: светодиоды, индикатор
Контроль обрыва фаз: Да
Контроль чередования фаз: Да
Контроль асимметрии фаз: Да
Отключение защит: Да
Настройка всех защит: Да
Сечение подключаемого кабеля для подключения к клеммам: 0,5 – 2,5 мм²
Точность определения порога срабатывания по напряжению: не более 1,5В
Ток коммутации: 12А
Габаритные размеры, HхBхL: 90,2×36×64,5
Масса, не более: 0,3 кг
+7 (903) 401-19-71 Приводная техника
+7 (903) 401-98-76 КИП и Автоматика
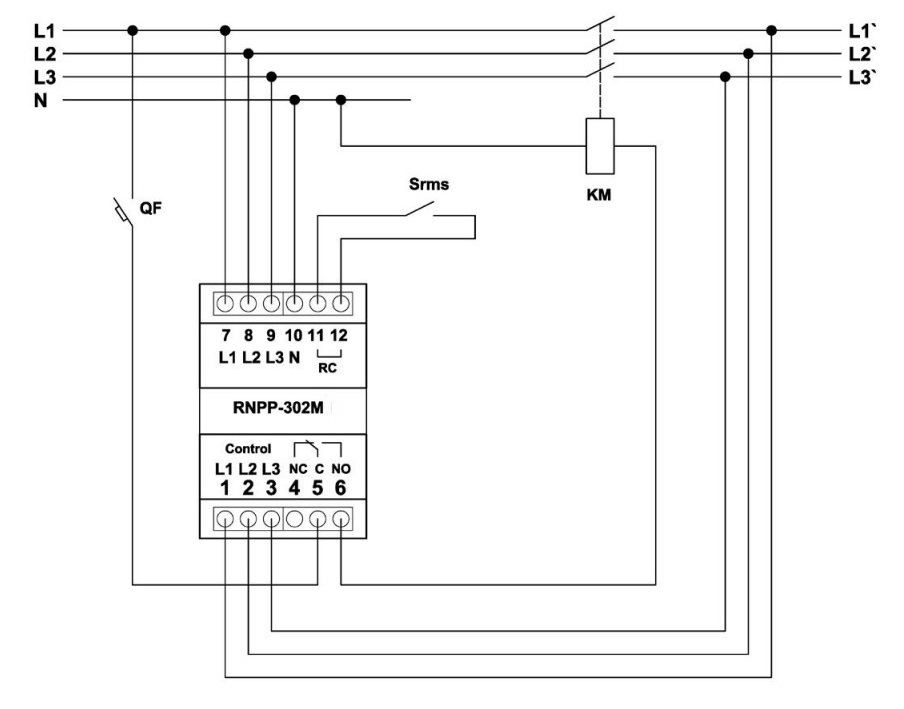
Трехфазное универсальное реле переменного напряжения РНПП-302М предназначено для постоянного контроля уровня допустимого напряжения, обрыва, слипания, нарушения правильной последовательности, перекоса фаз в цепях переменного напряжения 220/380 В (230/400В или 240/415В) частотой 50 Гц и отключения нагрузки в случае наступления аварийных ситуаций.
Реле измеряет действующие значения фазных и линейных напряжений в сетях с изолированной или заземленной нейтралью, контролирует работу магнитного пускателя и исправность его контактов.
Устройство следит за состоянием силовых контактов внешнего МП до и после включения нагрузки, контролируя их исправность (подгорание или слипание).
РНПП-302М осуществляет последующее автоматическое повторное включение после устранения причины аварии, вызвавшей отключение, через время, заданное Пользователем.
- реле обрыва фаз
- реле минимального напряжения
- реле максимального напряжения
- реле напряжения
- В реле используются разные алгоритмы принятия решений в зависимости от типа аварий;
- Индикация действующего значения напряжения на каждой фазе и вид возникшей аварии в режиме реального времени;
- Корпус - 2S модуля, с креплением на DIN-рейку;
- Самозатухающий пластик;
- Конкурентная цена;
- Гарантия 10 лет.
- Промышленные объекты: защита электродвигателей и оборудования с жесткими параметрами напряжения.
- Бытовые установки: защита приборов в домашней сети от скачков сети.
Чтобы приобрести понравившийся товар, необходимо его заказать. Есть несколько сценариев того, как это можно сделать:
Мы работаем с юридическими и физическими лицами по общей системе налогообложения. И предоставляем следующие варианты оплаты:
- Безналичный расчет на расчетный счет компании.
- Наличный расчет с НДС. Выписываются счет, УПД и выдается кассовый чек.
- Принимаем оплату банковской картой.
- Принимаем оплату через QR-код (СПБ).
Ваш заказ Вы можете забрать следующими вариантами:
- Самовывоз со склада компании расположенного в г. Ростов-на-Дону, ул. Магнитогорская, 1Г
с Понедельника по Пятницу с 9.00 до 17.00 без перерыва. - Транспортными компаниями
МЫ НА СВЯЗИ
ПН-ПТ: 9:00 – 17:00
МЕССЕНДЖЕРЫ
+7 (903) 401-19-71 Приводная техника
+7 (903) 401-98-76 КИП и Автоматика

